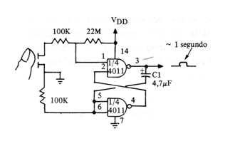
Esta configuración, ampliamente explorada en otros artículos en este sitio, es de documentación antigua, pero utiliza componentes actuales. El circuito puede funcionar con fuentes de 3 a 12V. Nunca use fuentes de alimentación sin transformador. Para otros tiempos de activación, cambie C1.

Monoestable de Toque CMOS



