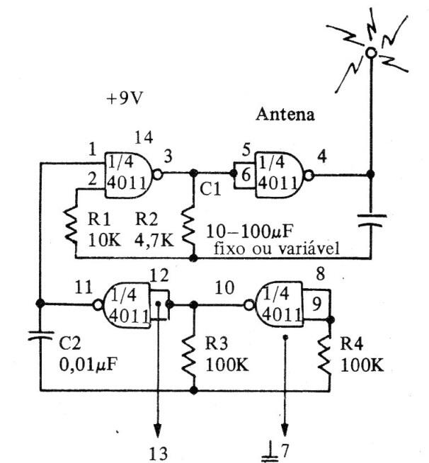
Ya hemos publicado un transmisor experimental como este, sin usar bobinas, usando el 4093. El circuito funciona de la misma manera al enviar una señal que se extiende sobre el espectro de onda media y corta. La antena es un pedazo de cable estirado. La fuente de alimentación se puede hacer con voltajes de 3 a 12 V y el pin positivo es 14 diferente del diagrama. El circuito es de una documentación de los años 80.




