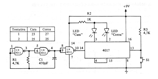
Este circuito ya se ha presentado en otros artículos y como un circuito en este sitio con varios enfoques. Esto se obtuvo en una documentación traducida de los años 80. El circuito puede alimentarse con tensiones de 6 a 9 V y el sorteo se realiza presionando y liberando S1.

Lanza Moñedas



