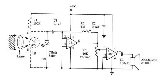
Este circuito se puede usar para recibir señales de CIR11963 y otros transmisores de luz modulados en esta sección. El circuito puede usarse en un enlace de audio óptico y el amplificador de audio puede reemplazarse por otros más modernos como el TDA7052. La potencia no necesita ser simétrica y puede estar entre 6 y 12 V.

Receptor para luz modulada



