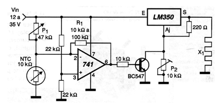
Este circuito controla un elemento calefactor con una tensión de 6 a 30 V y una corriente de hasta 3 A desde la detección realizada por un NTC. El punto de ajuste se establece en P1 y la tensión en el elemento calefactor se establece en P2. El circuito integrado debe estar montado en disipador de calor.

Termostato



