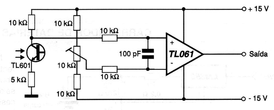
Este circuito, de una documentación de 2001, utiliza un fototransistor como sensor y un amplificador operacional FET. El circuito está recortado en un trimpot y la fuente de alimentación debe ser simétrica.

 

Detector óptico con amplificador
Detector óptico con amplificador | Haga click en la imagen para ampliar |