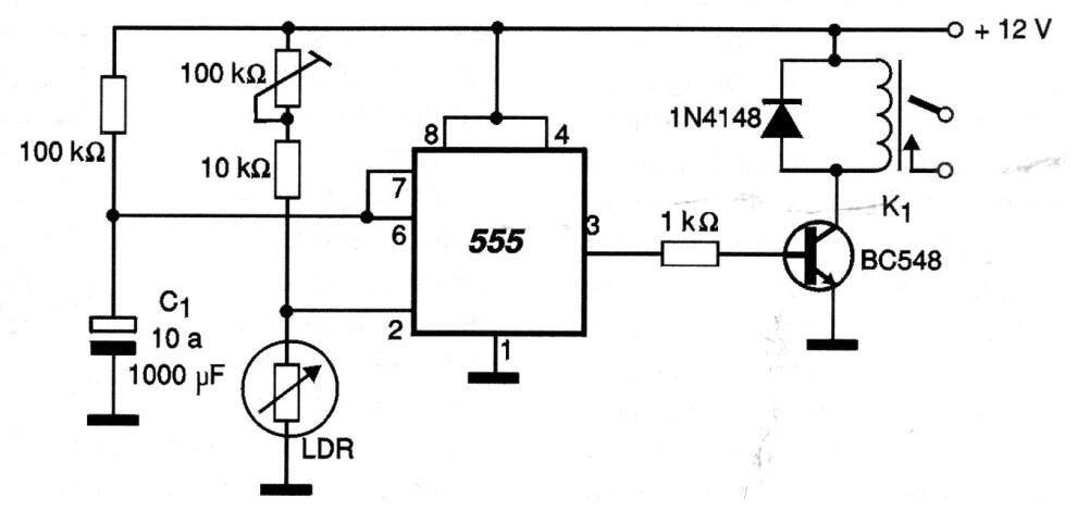
Esta configuración aparece en otra parte del sitio en artículos y sugerencias de diseño. El circuito activa un relé durante un tiempo determinado por el resistor de 100k y el capacitor C1. El ajuste del punto de activación se realiza en el trimpot. El circuito también funciona a 6 V con intercambio de relé.




