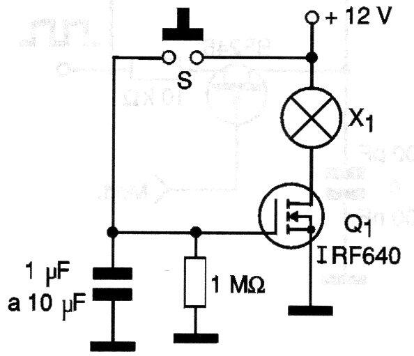
Esta versión de lámpara de 12V y lámpara MOSFET de potencia se encontró en una publicación de 2001. Se pueden encontrar otras versiones en el sitio web. Si la lámpara tiene una corriente superior a 500 mA, entonces el MOFET debe estar equipado con un disipador de calor.

Time Light



