La figura muestra cómo obtener un monoestable TTL 74121. El circuito aparece en otras partes del sitio, por separado o como parte de las aplicaciones, y debe ser alimentado por una tensión de 5 V.

TTL monoestable 74121
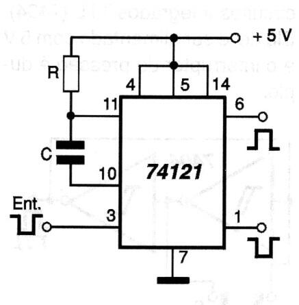
La figura muestra cómo obtener un monoestable TTL 74121. El circuito aparece en otras partes del sitio, por separado o como parte de las aplicaciones, y debe ser alimentado por una tensión de 5 V.
