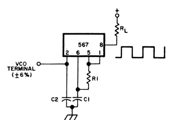
Este circuito utiliza un PLL 567 y los componentes deben calcularse de acuerdo con la señal deseada. En el sitio, el lector encontrará artículos que detallan el uso de PLL 567 en esta aplicación. La tensión de alimentación máxima es de 10 V.
Este circuito utiliza un PLL 567 y los componentes deben calcularse de acuerdo con la señal deseada. En el sitio, el lector encontrará artículos que detallan el uso de PLL 567 en esta aplicación. La tensión de alimentación máxima es de 10 V.