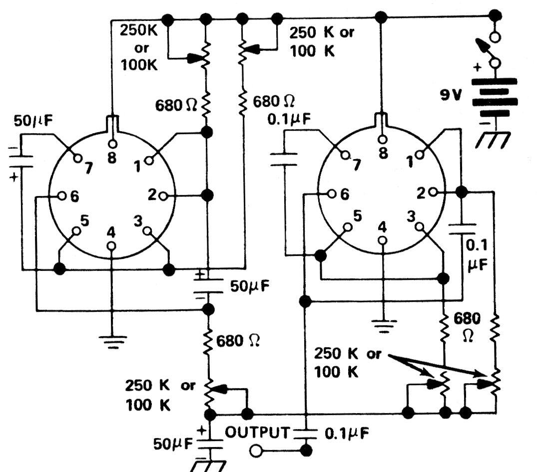
Esta sirena se encontró en una documentación de la década de 1980. El circuito utiliza operacionales muy antiguos que todavía se encontraban en recintos metálicos. Como el circuito no proporciona la equivalencia interna de estos HEP580 integrados, será necesario investigar para analizar la posibilidad de utilizar un operacional más moderno.




