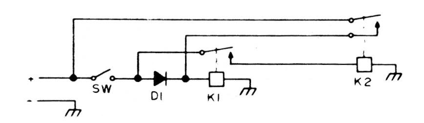
Este circuito de dos relés proporciona una lógica de accionamiento que es clara al analizar el circuito. En la versión original, el circuito se usaba en un sistema de protección para evitar la activación simultánea de dos circuitos.

 

Control Lógico con Relés
Control Lógico con Relés | Haga click en la imagen para ampliar |