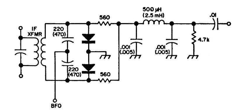
Este circuito se encontró en una documentación de la década de 1980 para radioaficionados. El circuito es para señales de 9 MHz y valores entre paréntesis para FI de 455 kHz. El circuito se puede adaptar a otras frecuencias.

 

Detector de producto para SSB
Detector de producto para SSB | Haga click en la imagen para ampliar |