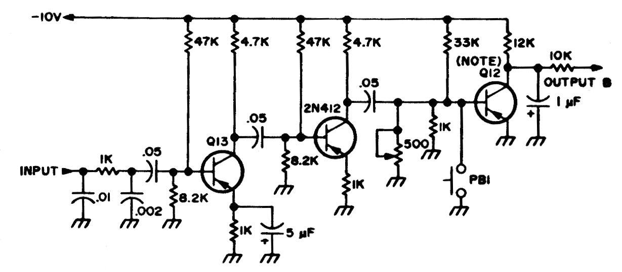
Este silenciador se activa por su propio ruido, actuando automáticamente. Se utiliza en receptores de comunicaciones para silenciar el ruido de fondo en ausencia de señal. El circuito es de una documentación de la década de 1980, y los transistores pueden ser tipos equivalentes actuales.




