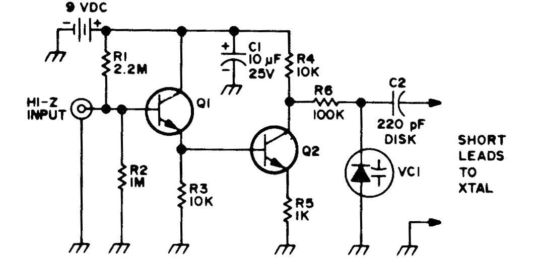
El propósito de este circuito es acoplar un circuito modulado por AM a un transmisor de FM. El circuito es de la antigua documentación de radioaficionados estadounidenses. Los transistores pueden ser tipos comunes de uso general.

 

Oscilador controlado
Oscilador controlado | Haga click en la imagen para ampliar |