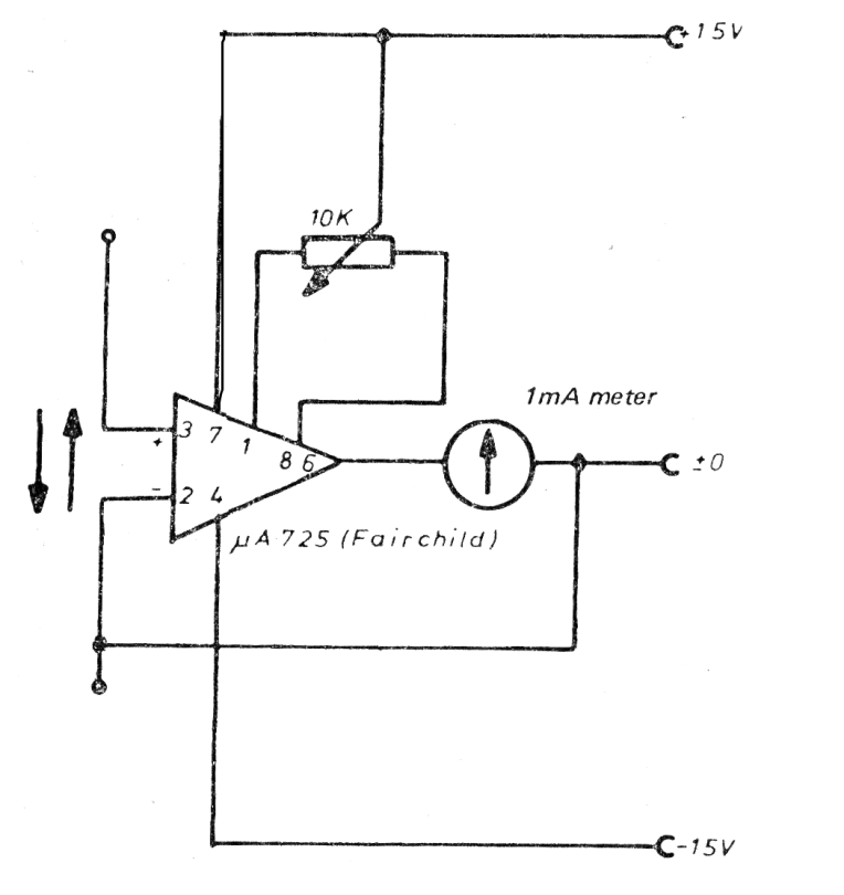
Este circuito fue obtenido en una publicación inglesa de 1975. Se trata de un super sensible medidor de corrientes, capa de medir corrientes en el rango de nanoampères con un amplificador operacional 741 o 725, si se encuentra. La fuente de alimentación debe ser simétrica y un multímetro común en la escala más baja de corriente se puede utilizar en lugar del instrumento original de 1 mA de fondo de escala.




