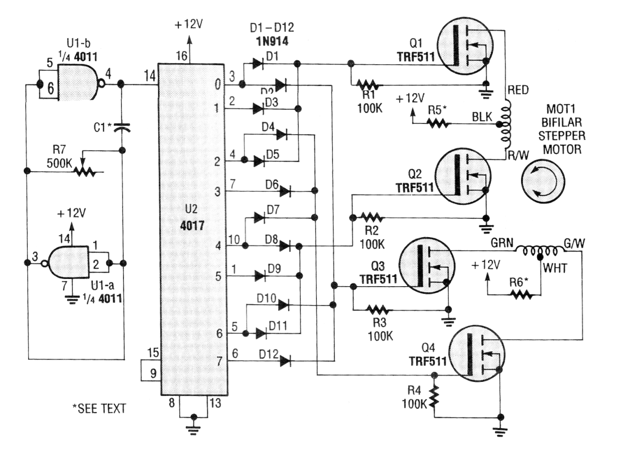
Este circuito fue encontrado en un popular Electronics de abril de 1993. Se trata de un control de motor de paso cuya velocidad de rotación se ajusta en R1. Un 4017 se utiliza con una matriz de diodos para decodificar los pulsos para proporcionar la secuencia necesaria para la rotación. El motor es excitado por MOSFETs de potencia, pero se pueden utilizar BD135 con resistencias de 1k en la base para motores hasta 500 mA. Cualquier MOSFET con corriente de acuerdo con el motor puede ser usado. Los diodos también pueden ser 1N4148. C1 varía de 100 nF a 10 uF según el rango de velocidad deseado.




