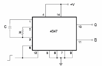
Una transición positiva en el disparo. Las salidas cambian de estado y así permanecen por el tiempo determinado por R y C. El circuito puede ser redisparado en cualquier momento. La alimentación se puede hacer con tensiones de 5 a 15 V. El circuito es del libro CMOS Sourcebook de Newton C. Braga, publicado en los Estados Unidos.

Monoestable Redisable con el 4047



