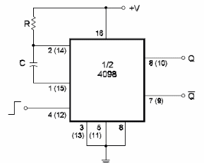
Este circuito de monoestable utiliza uno de los dos flip-flops disponibles en el circuito integrado CMOS 4098. Con el reloj, las salidas cambian de estado y en él permanecen hasta el final del tiempo dado por RC. Después de eso, vuelven al estado inicial. El circuito es del libro CMOS Sourcebook de Newton C. Braga, publicado en los Estados Unidos.

Monoestable con el 4098



