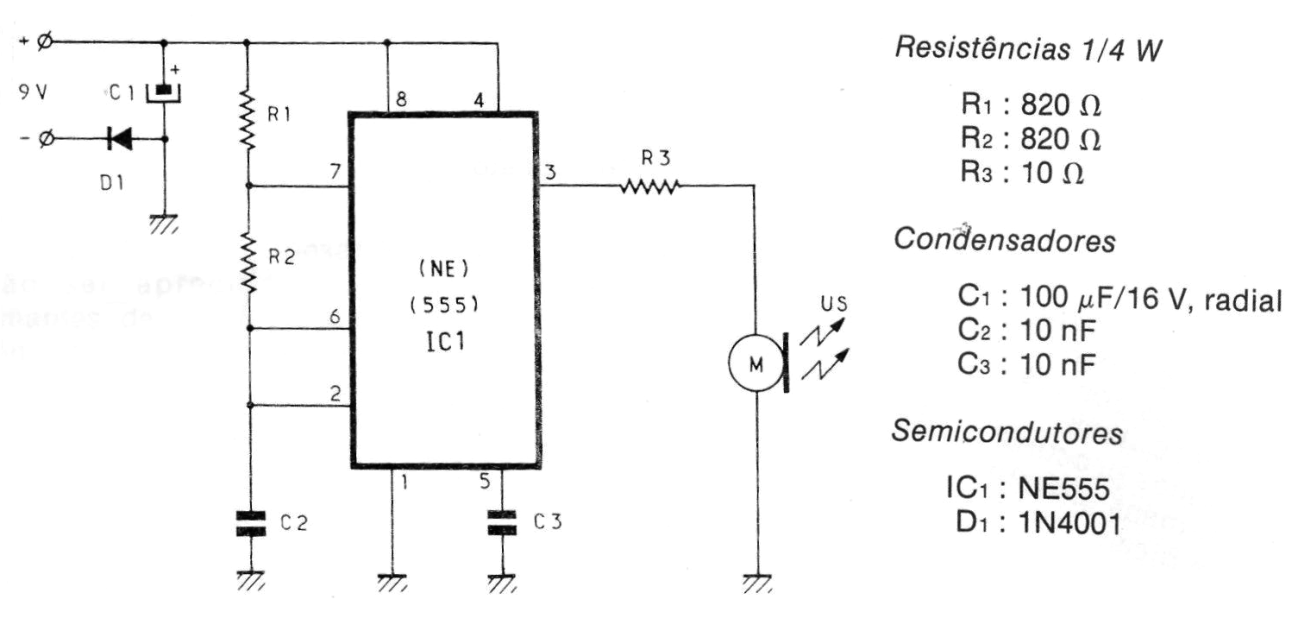
Con este título nos encontramos con la revista portuguesa Radio Nacional, Julio de 1992 cuestión, un circuito bastante simple 555. El transductor de ultrasonidos es de la clase, pero se puede experimentar un tipo piezoeléctrico y frecuencia determinada por las resistencias R1 y R2 . El circuito se alimenta con una batería de 9 V.




