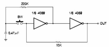
Un toque en el interruptor conmuta este circuito que traba por la acción de realimentación del resistor de 10 k. Con un nuevo pulso apagamos el circuito. Los otros inversores del 4069 se pueden utilizar en otras aplicaciones. La alimentación se puede hacer con tensiones de 5 a 15 V. El circuito es del libro CMOS Sourcebook de Newton C. Braga, publicado en los Estados Unidos.




