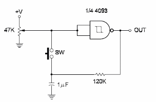
Este circuito de llave biestable con un interruptor de presión utiliza sólo una puerta de las cuatro disponibles en un 4093. El ajuste del punto ideal de funcionamiento se realiza en el trimpot. El circuito puede ser alimentado por tensiones de 5 a 15 V. Las otras puertas del 4093 pueden ser utilizadas en otras funciones. El circuito es del libro CMOS Sourcebook de Newton C. Braga publicado en los Estados Unidos.




