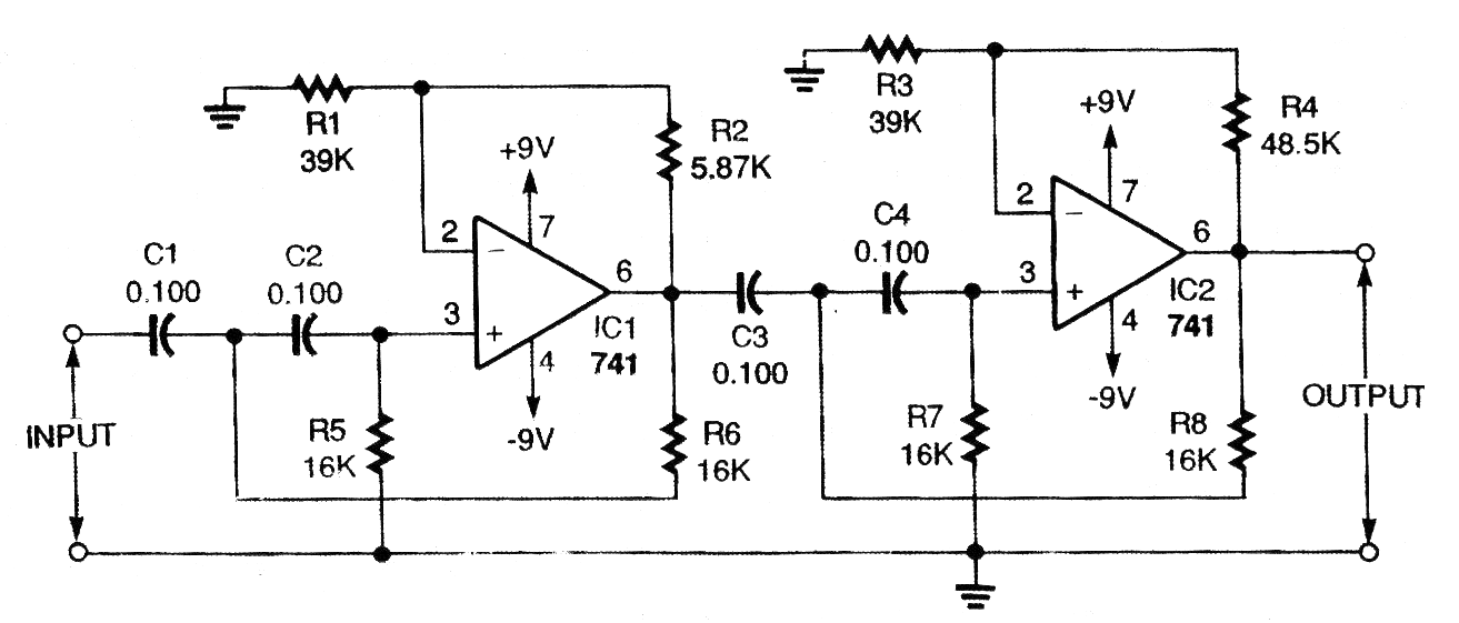
El circuito presentado fue obtenido en una revista Electronics Now de febrero de 1995. La revista ya no existe, pero el circuito puede ser implementado con facilidad. Se trata de un filtro pasa altas de 100 Hz de cuarta orden usando el circuito integrado 741. La fuente de alimentación debe ser simétrica.




