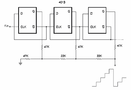
Este circuito genera una señal en forma de escalera cuya frecuencia es 1/8 de la frecuencia de la señal de entrada. La señal de entrada debe tener un máximo de 10 MHz y ser rectangular libre de repiques. La pinza del 4013 se puede obtener en esta sección. El circuito es del libro CMOS Sourcebook de Newton C. Braga, publicado en los Estados Unidos.

Generador de escalera 2



