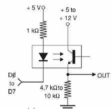
Con este circuito es posible transferir a un sistema una señal de control del puerto paralelo del PC con total aislamiento y, por lo tanto, total seguridad. El circuito de control tiene alimentación externa de 5 V con tierra común al ordenador y el circuito controlado puede ser alimentado por tensiones de 5 a 12 V. El circuito es del libro Mechatronics SOurcebook de Newton C. Braga, publicado en los Estados Unidos. El acoplador óptico puede ser el 4N26 o equivalente.




