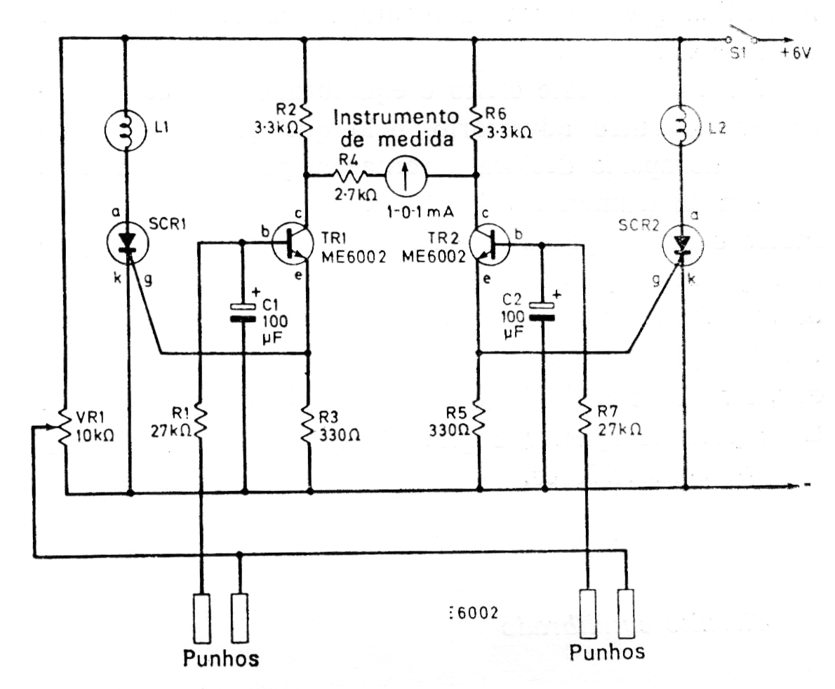
Este circuito es una publicación Inglés 1979, pero se puede montar fácilmente con los transistores BC548 y SCRs del TIC106 tipo. Su propósito y detectar quién aprieta con más fuerza los electrodos, obteniéndose una indicación del esfuerzo en el metro con cero en el centro de la escala y disparando uno de los SCRs cuando el máximo de fuerza es lograda por uno de los competidores. Para una alimentación de 9 V se pueden utilizar lámparas de 6 V, pues tenemos una caída de tensión de 2 V en los SCRs.




