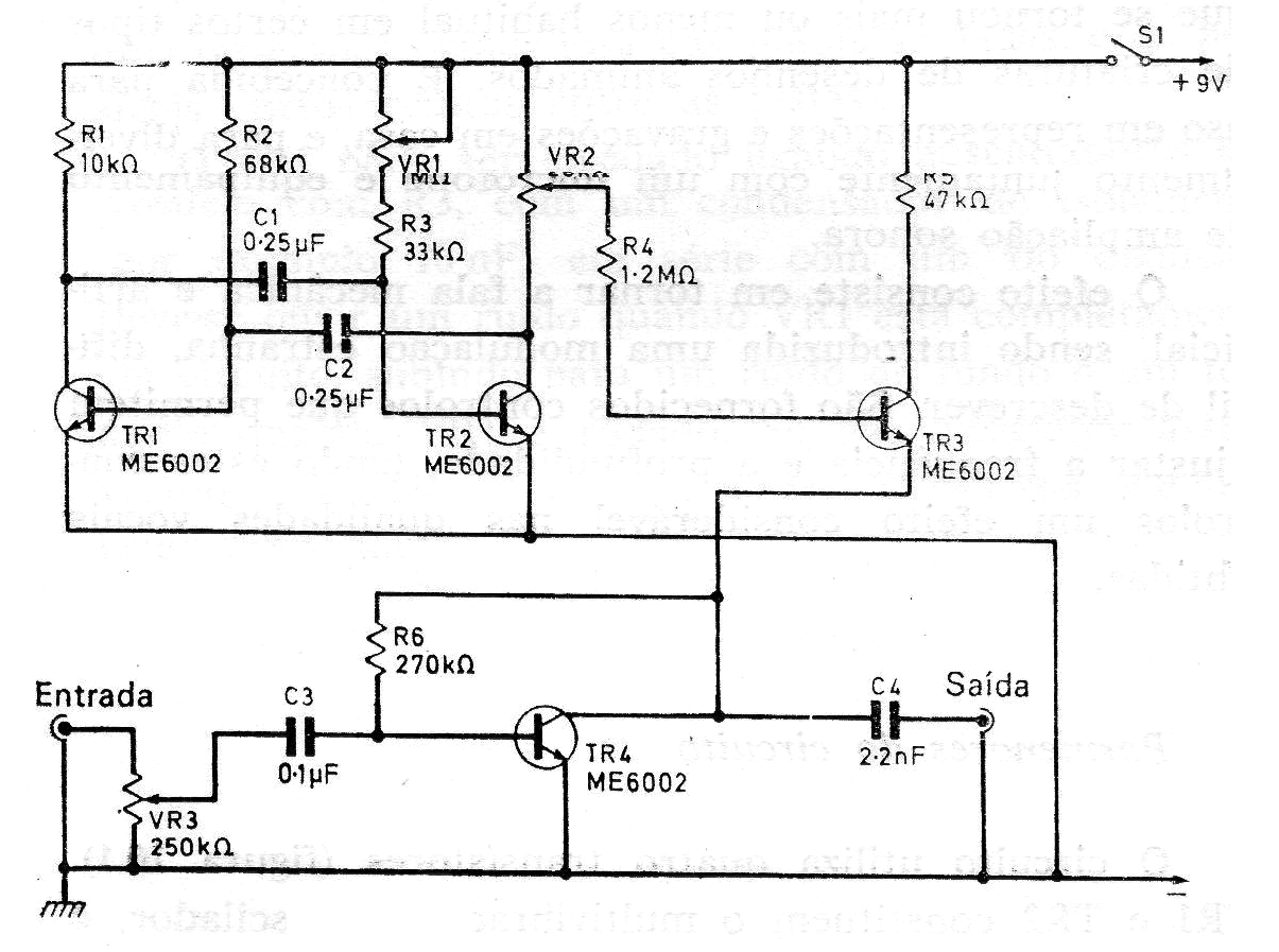
En realidad, este circuito da un efecto de voz cuando se combina entre un micrófono y un amplificador, imitando la voz de los personajes de dibujos animados. El circuito es una publicación Inglés 1979, pero puede ser ensamblado con transistores BC548. La alimentación puede provenir de una batería de 9 V, ya que el consumo es bajo. Los cables de entrada y salida de señal deben ser blindados.




