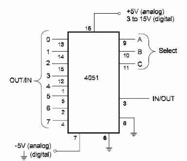
El 4051 en la configuración mostrada en la figura puede ser utilizado como selector de datos tanto analógicos como digitales presentes en las entradas pasándolos a la salida conforme el código colocado en select. Si las señales son digitales, el pino 7 debe ser conectado a tierra y si son analógicos debe ser alimentado por fuente simétrica con el pino 7 conectado al -5 V. Las señales deben ser de pequeña intensidad con una amplitud menor que la tensión utilizada en la alimentación del circuito




