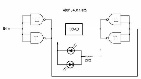
Este circuito funciona como un buffer (amplificador de aislamiento) o amplificador digital con una salida de mayor capacidad de corriente, dada por los cuatro puertos utilizados. El circuito puede ser alimentado por tensiones de 3 a 15 V y opera con señales rectangulares. En la figura mostramos cómo usar el circuito para excitar los LED.

Amplificador Digital en Puente



