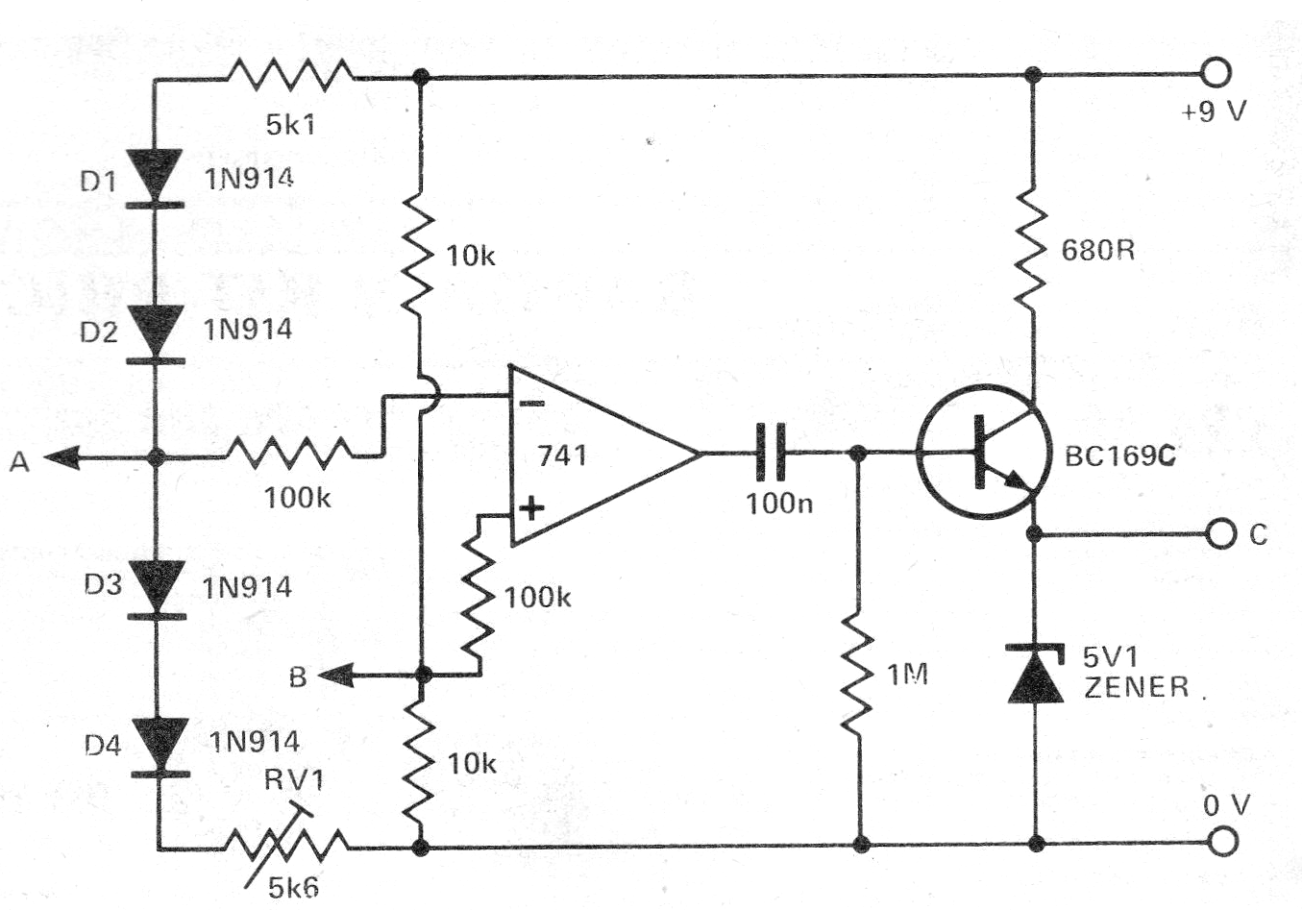
Este circuito utiliza como sensor diodos comunes, disparando cuando por el toque la temperatura se eleva, aumentando la corriente de fuga. El ajuste del punto de disparo se realiza en el trimpot. Como los diodos poseen una cierta inercia térmica el disparo no es inmediato. El transistor puede ser el BC548 y la alimentación por batería de 9 V. Véase el pináculo del 741 en otros proyectos en este sitio.




