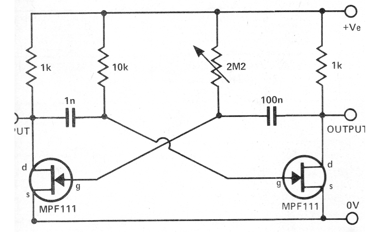
Este circuito de ultra bajo consumo oscila en frecuencias extremadamente bajas que se pueden ajustar en el trimpot. El circuito proporciona señales compatibles con la lógica TTL cuando se alimenta con una tensión de 5 V. Se pueden utilizar FET equivalentes como el MPF102 o BF245. Los condensadores también pueden ser cambiados a otras bandas de frecuencias o ciclos activos, ya que en este caso tenemos la producción de pulsos de corta duración.




