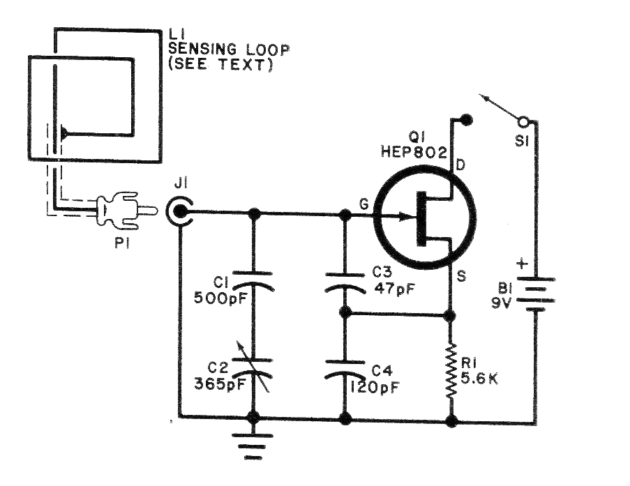
Este circuito encontrado en una Popular Electronics de julio de 1974 consiste en un oscilador que envía sus señales a un radito AM cercano. En presencia de metal cerca de la bobina sensora, cambia de frecuencia, huyendo de la sintonía del radito lo que puede ser percibido fácilmente. El transistor puede ser el MPF102 o BF245 y la bobina sensora consiste en 4 o 5 espiras de hilo común en una forma de plástico de 10 a 20 cm de diámetro. El condensador C2 es una variable obtenida de una radio AM fuera de uso.




