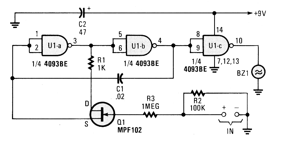
Este VCO o Voltage Controlled Oscillator (Oscilador Controlado por Tensión) fue encontrado en una Popular Electronics de 1991, pero puede ser implementado con facilidad con un BF245 en lugar del MPF102. La frecuencia central del oscilador es dada por C1 que puede ser cambiado asumiendo una amplia gama de valores. El circuito es CMOS que puede ser alimentado por tensiones de 3 a 12 V. La señal generada se reproduce en un transductor, pero se puede utilizar en un circuito externo. La frecuencia máxima obtenida es del orden de algunos megahertz.




