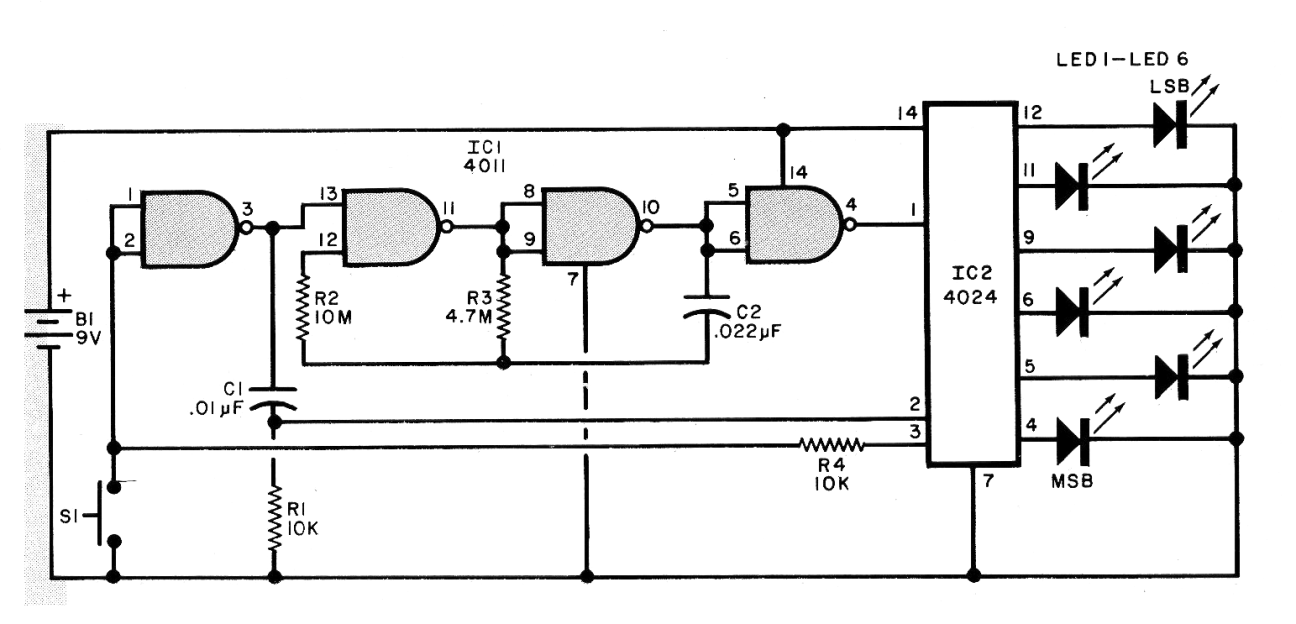
Este es un contador de 6 bits, ideal para clases de electrónica digital o como proyecto de enseñanza de electrónica. El circuito es de una Popular Electronics de 1978, pero puede ser montado con facilidad aún hoy. Recomendamos conectar en serie con cada LED un resistor de 470 ohms para limitar la corriente. El circuito cuenta al presionar S1.




