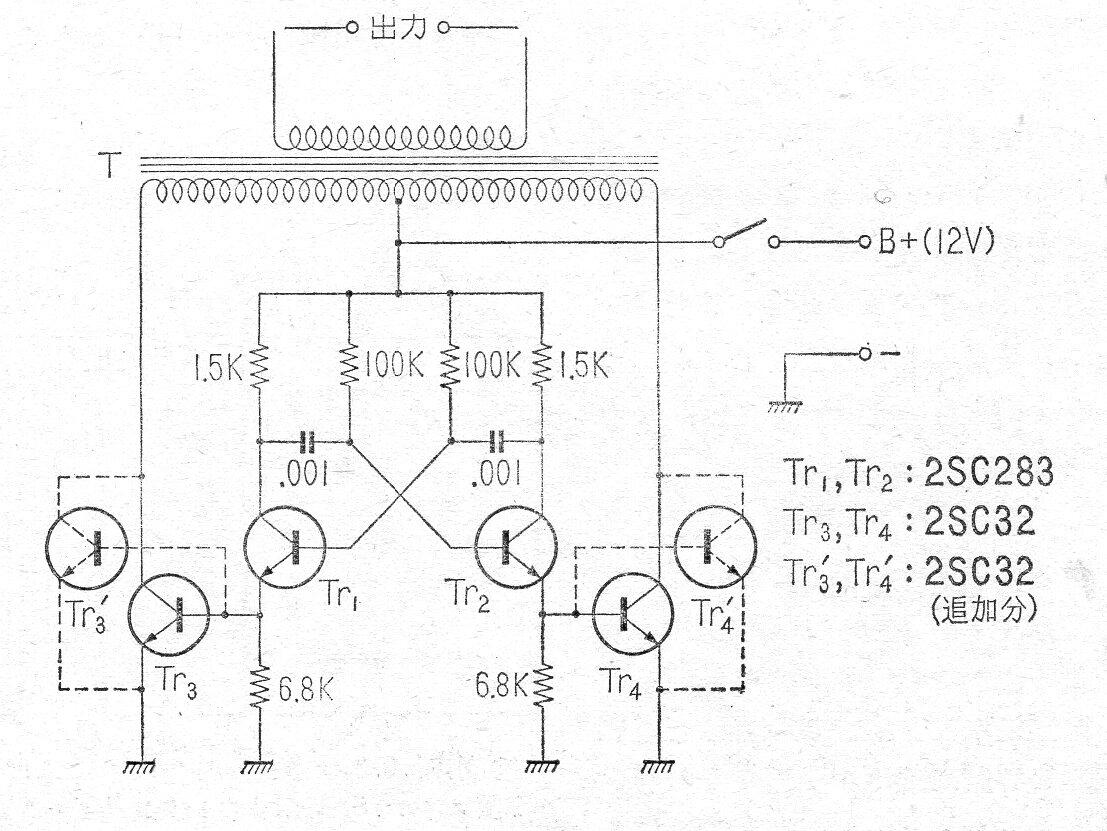
Este circuito utiliza transistores japoneses antiguos, pues fue encontrado en una revista de 1968 publicada en aquel país. El circuito, sin embargo, puede ser montado con transistores equivalentes modernos. La potencia depende del transformador y de los transistores. Los transistores deben montarse en buenos disipadores de calor.




