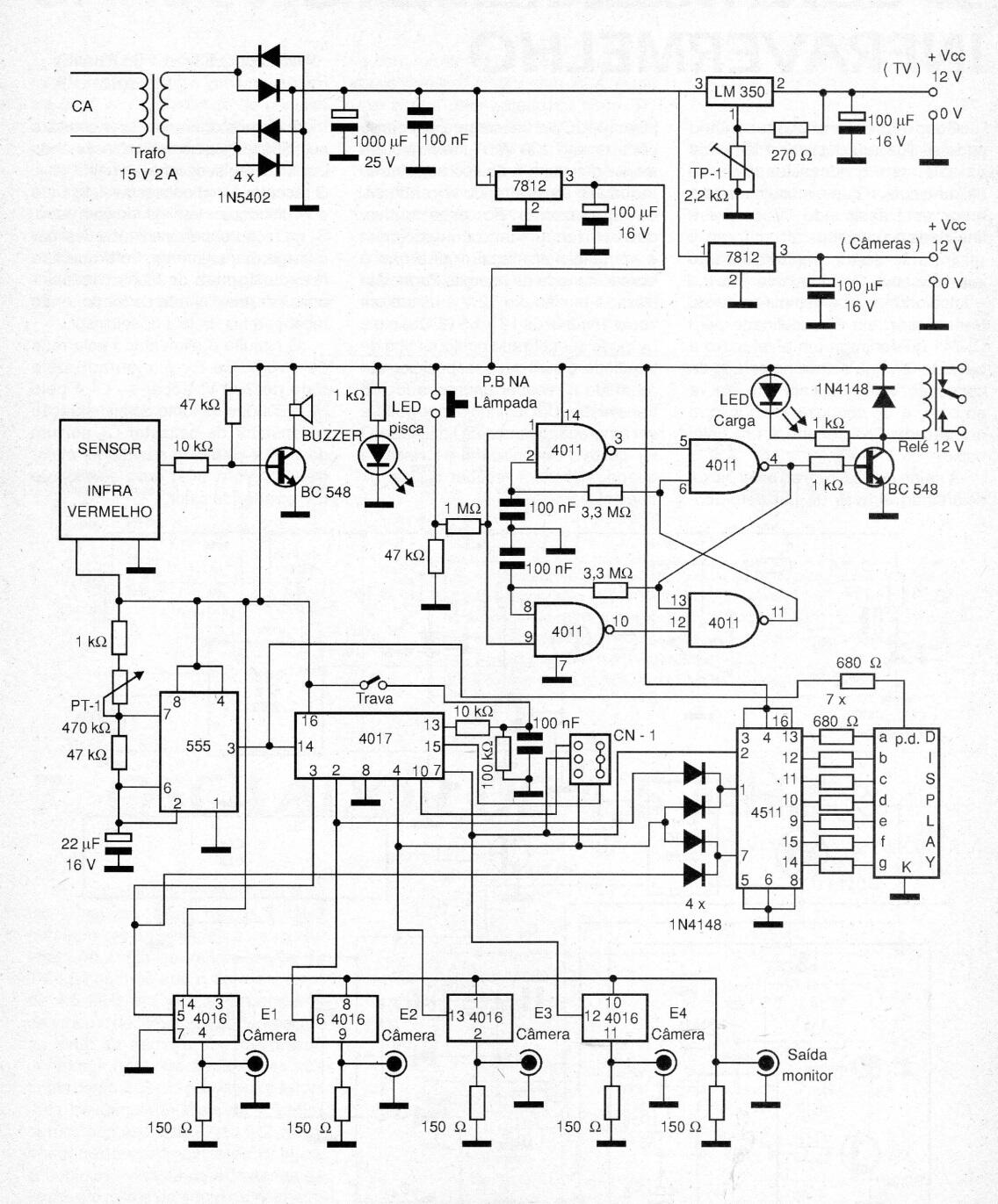
La finalidad del proyecto presentado es monitorear hasta cuatro microcámaras de forma secuencial a través de un monitor. También tiene un sensor de presencia por infrarrojo, salida vía relé para accionar lámparas que auxilian en la visión de las microcámaras, si es, m instaladas en lugares oscuros, salida para alimentar microcámaras y un monitor de TV de 5 pulgadas. Un astral es responsable de la secuencia que determina cuál es la microcámara que está siendo accionada a través de un contador 4017, del cual sólo se utilizan 5 de sus salidas. Cuatro de ellas (4017) están conectadas a un conjunto de llaves analógicas (4016). A través del display de catodo común tenemos la indicación de qué cámara está siendo accionada. A través de CN-1 jumpeamos cuántas microcámaras serán instaladas en un total de hasta 4. El sistema de aviso es monitoreado por un sensor infrarrojo. Cuando su rayo es cortado, se acciona una bocina piezoeléctrica de 12 V. En TP-1 ajusta la tensión de salida 12 V para alimentar el monitor. PT-2 ajusta la velocidad de la secuencia. Presionando PB tenemos el encendido de la lámpara de forma biestable. Cuando la llave traba está cerrada tenemos el bloqueo de la secuencia. Para alimentar las microcámaras se utiliza un 7812. Los reguladores de tensión 7812 y LM317 deben montarse en radiadores de calor.




