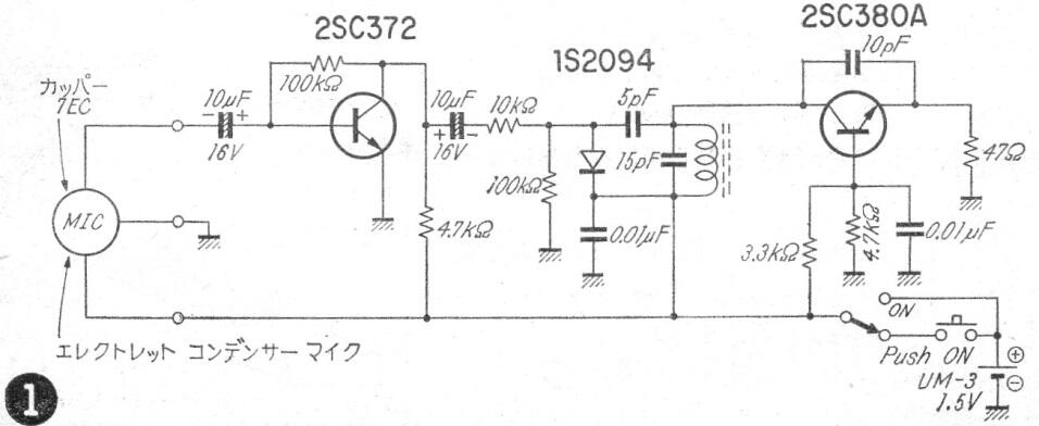
Este circuito de transmisor de FM se encontró en una publicación japonesa de 1975. Los transistores equivalentes se pueden utilizar como BC548 y BF494. El alcance es de algunas decenas de metros y la bobina está formada por 4 3piras de hilo 26 o 28 con un diámetro de 0,5 cm sin núcleo. El micrófono es de electreto de 3 terminales.




