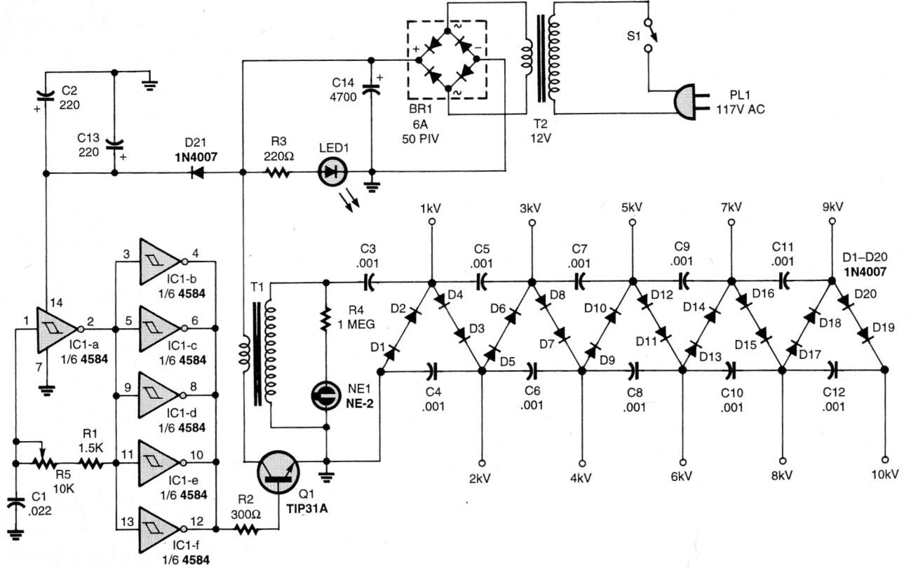
Esta fuente completa experimental de baja corriente y muy alta tensión puede generar tensiones de 1 kV a 10 kV. El circuito utiliza componentes comunes y el transformador debe tener una tensión de secundario de 110 V o más. El transistor debe montarse en un disipador de calor.




