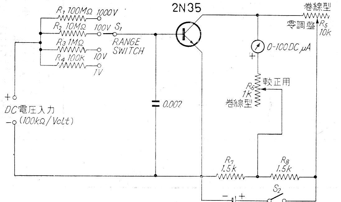
Este circuito de un transistor sólo se encontró en una documentación de los años 60. El transistor original es de germanio y la precisión de las indicaciones depende de la precisión de los resistores utilizados. La alimentación se efectúa sólo con una pila de 1,5 V. Se puede utilizar una escala de corriente baja de un multímetro en la indicación.




