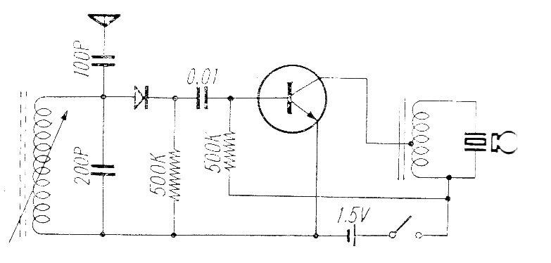
Este simple receptor de ondas medias con un transistor puede emplear cualquier tipo de germanio de uso general o incluso de silicio. La antena debe ser larga y el transformador de salida del tipo autotransformador para excitar un auricular. La bobina consta de 80 a 100 espiras de hilo 28 o 32 en un bastón de ferrita.




