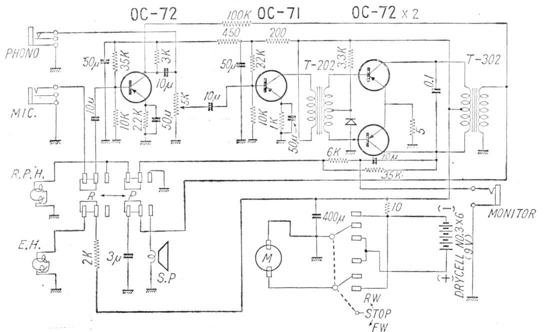
Este amplificador con alimentación de 6 o 9 V se vendía en Japón en los años 60. Su potencia era de fracción de vatio y el circuito tenía entradas para diversos tipos de fuentes de señales. La salida usada era en push-pull con transformadores usando pequeños transistores de la época.




