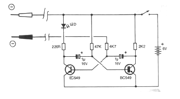
Esta es una configuración explorada con muchas variaciones en este sitio. Se trata de un simple probador de continuidad con dos transistores. El multivibrador astable hará que el LED parpadee si se comprueba la continuidad entre las puntas de prueba.

Probador de Continuidad Astable



