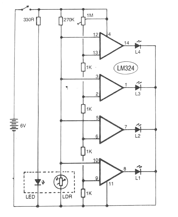
Este circuito fue encontrado en una antigua documentación exigiendo una cierta habilidad mecánica para su construcción. Lo que se hace es colocar un plato con un resorte y un pequeño pedazo de cartón que entre en el acoplador para cubrir proporcional el sensor. De esta forma la cantidad de luz que llega al sensor será proporcional al peso que distiende el muelle lo que será indicado por el encendido de los LED.




