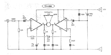
Encontramos este circuito de megáfono (corneta) en una publicación de los años 80. Todavía puede montarse en nuestros días, ya que el circuito integrado utilizado todavía se puede encontrar. Este circuito debe montarse en un disipador de calor.

Megáfono



