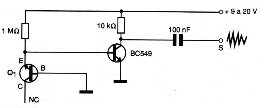
Este circuito aparece en diversos puntos de esta sección y de este sitio, con pequeñas variaciones. Utiliza el ruido térmico de la unión de un transistor común. La señal debe tener una buena amplificación externa.

 

Generador de Ruido Blanco
Generador de Ruido Blanco | Haga click en la imagen para ampliar |