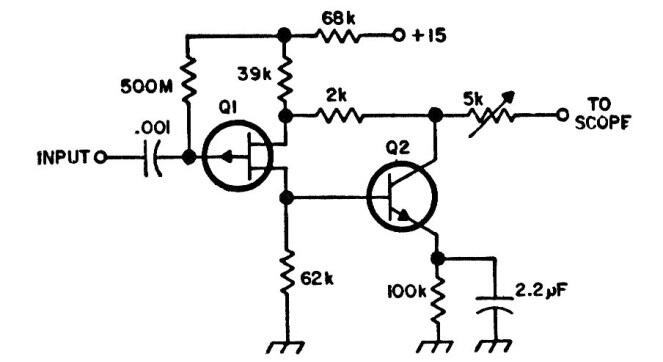
Este circuito fue encontrado en una documentación de los años 80. eleva a 1 200 M ohmios la impedancia de entrada de su osciloscopio o multímetro pudiendo ser utilizados FET como el BF245 y para el bipolar 2N2222.

 

Punta de prueba de alta impedancia
Punta de prueba de alta impedancia | Haga click en la imagen para ampliar |