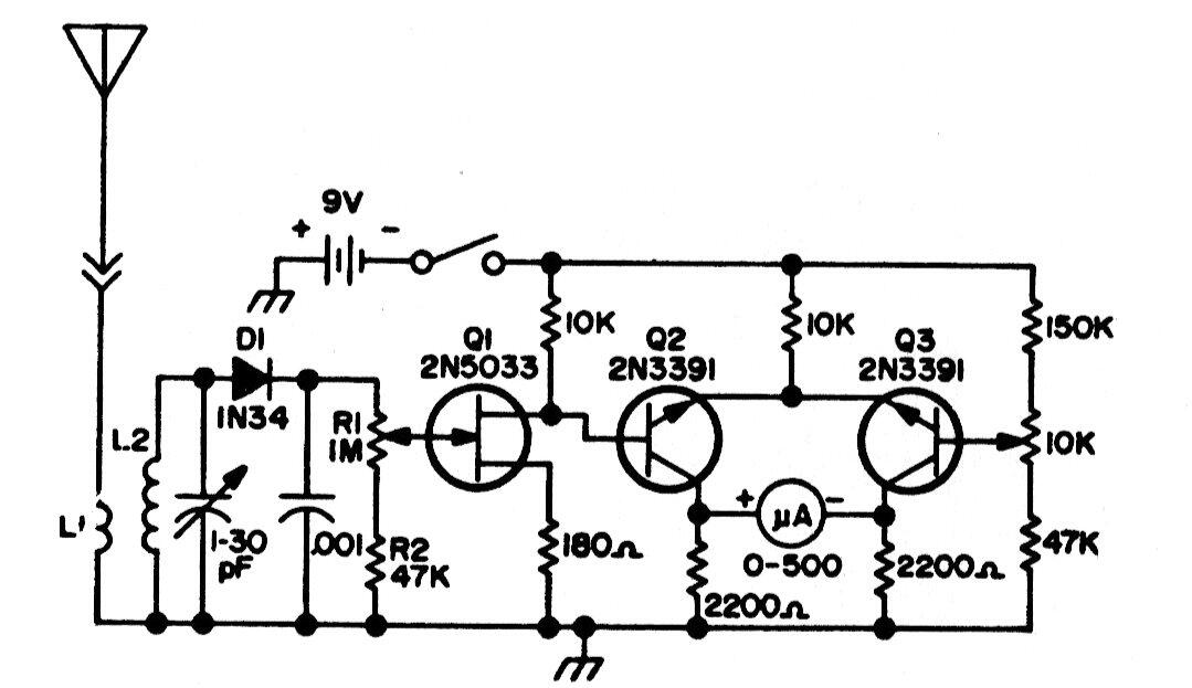
Este circuito fue encontrado en una documentación de los años 80. Las bobinas determinan el rango de cobertura y los transistores admiten equivalentes. Para el FET se puede utilizar el BF245. La antena es del tipo telescópico.

 

Medidor de Intensidad de Campo
Medidor de Intensidad de Campo | Haga click en la imagen para ampliar |