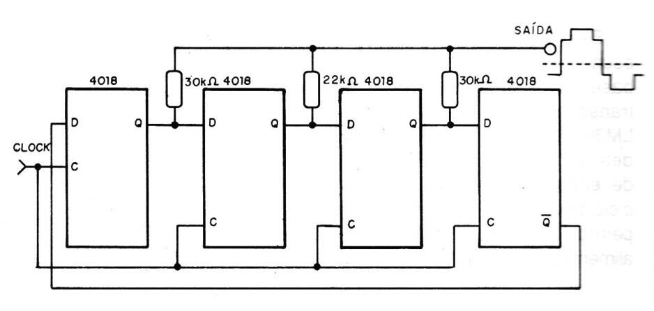
Este circuito sintetiza un signo senoidal a partir de pulsos lógicos que pueden obtenerse de un oscilador de la misma familia o (CMOS) o incluso TTL. Se utilizan 4 flip-flops de 2 circuitos integrados 4018 forma de onda de la salida (mostrada en el propio diagrama) necesita un filtrado para obtener la señal sinusoidal deseada. El filtrado se puede realizar con una red RC cuyos valores de los componentes dependen de la frecuencia de operación.




