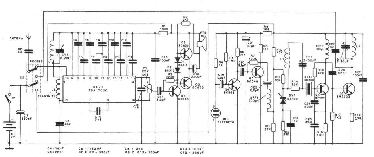
Este intercomunicador inalámbrico tiene un alcance del orden de 300 metros utilizando un circuito integrado que no es muy común actualmente. L1 consta de 3 espiras de hilo23 con diámetro de 8mm, L2 consta de 2 espiras de hilo 23 con diámetro de 3 mm. L3 tiene 8 espiras de hilo 23 en una ferrita de 5 mm de diámetro. XRF1 es un microchoque de 220 uH y XRF2 un microchip de 100 uH. La alimentación se realiza por pilas medias o grandes.




