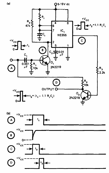
Encontramos este circuito en una publicación de los años 70. El circuito detecta cuando la duración del pulso es mayor que 1,1 x R1 x C1. El transistor puede ser el 2N2222 y la alimentación hecha con tensiones de 5 a 15 V. El circuito es útil para aplicaciones de robótica y mecatrónica.

Detector de Ancho de Pulso



